ISO-KF Stainless Steel Unbored Weld Stub Flanges
Model: 100311300
ISO-KF Stainless Steel Unbored Weld Stub Flanges
Model: 100311300

Overview
Overview
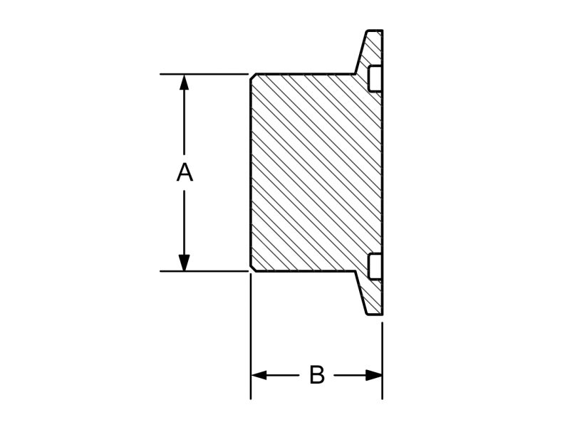
The 100311300 Blank Weld Stub Flange is made with 304 stainless steel and is intended to be for turned, bored, or tapped to fit. This blank weld stub features a size NW10 ISO-KF vacuum flange and has a 0.75 inch overall length. Series 31 ISO-KF vacuum components are designed for use at subatmospheric pressure and use standard interface dimensions defined by the International Standards Organization (ISO) allowing them to be interchangeable with other ISO-KF compliant components. Series 31 components can be used as modular building blocks to create vacuum piping systems. IS-KF flanges are "sexless" with a symmetrical seal so that so that components are rotatable. ISO-KF vacuum flanges are joined by inserting a centering ring between the two flange faces, and securing them with a flange encompassing clamp.
Technical Specs
- Component TypeUnbored Weld Stub Flange
- SeriesSeries 31
- Material304 Stainless Steel
- Flange TypeISO-KF
- Flange SizeNW10
- Tube OD0.75 in.
- Length0.75 in. (19.05 mm)
- Dimension "A"0.75 in.
- Dimension "B"0.75 in.

Technical Specs
- Component TypeUnbored Weld Stub Flange
- SeriesSeries 31
- Material304 Stainless Steel
- Flange TypeISO-KF
- Flange SizeNW10
- Tube OD0.75 in.
- Length0.75 in. (19.05 mm)
- Dimension "A"0.75 in.
- Dimension "B"0.75 in.

