ISO-KF Flange to PVC Hose Adapters
Model: 100316401
ISO-KF Flange to PVC Hose Adapters
Model: 100316401

Overview
Overview
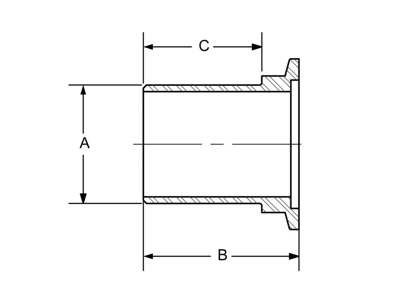
The 100316401 ISO-KF Flange Adapter is used to convert a NW16 size ISO-KF vacuum flange for use with 3/4 inch diameter PVC vacuum hose. This Series 31 adapter is made with 304 stainless steel and should be used with hose clamps.
Technical Specs
- Component TypeHose Adapter
- SeriesSeries 31
- MaterialStainless Steel
- Flange TypeISO-KF
- Flange SizeNW16
- Length1.26 in. (32 mm)
- Outer Diameter0.75 in. (19 mm)
- Hose Size0.75 in.
- Dimension "A"0.75 in.
- Dimension "B"1.26 in.
- Dimension "C"0.79 in.

Technical Specs
- Component TypeHose Adapter
- SeriesSeries 31
- MaterialStainless Steel
- Flange TypeISO-KF
- Flange SizeNW16
- Length1.26 in. (32 mm)
- Outer Diameter0.75 in. (19 mm)
- Hose Size0.75 in.
- Dimension "A"0.75 in.
- Dimension "B"1.26 in.
- Dimension "C"0.79 in.

